John Deere 4100 Mower Deck Belt Diagram : You can search the john deere illustrated parts catalog to.

John Deere 4100 Mower Deck Belt Diagram : You can search the john deere illustrated parts catalog to.. Save 15%1 on mower deck belts and blades for residential riding lawn equipment. See and discover other items: John deere tractors, combines & lawn mowers service repair manuals, wiring diagrams, fault codes list; Avoid injury from contacting blades. Mower belt for select john deere mowers these more kevlar cords help provide strength for your mowers high horsepower demands.

John deere riding mowers richard, check the attached links,instruction and guides for wiring diagram. Deck belt, john deere 648r quiktrak mowers with 48 decks. Helpful information and resources on john deere tractors from ssb tractor, a leading provider of tractor parts, manuals, implements and toys. Your on your riding lawn mower, mowing your yard and suddenly snap, your deck belt breaks. Save 15%1 on mower deck belts and blades for residential riding lawn equipment.

John Deere D140 D150 D155 D160 Deck Parts Diagram
John Deere D140 D150 D155 D160 Deck Parts Diagram from www.muttonpower.com
John deere l110 deck belt diagram anyone know where i can view the belt diagram for this riding mower?? Start date aug 20, 2005. Do not place this cab on a tractor outfitted with a folding rops. John deere parts lookup tool and diagram is an incredible online source. Connect the front draft rod back to the deck bracket and secure with a washer and spring clip. The mower belt for my john deere lx176 lawn tractor came off and i need a belt diagram to reinstall it. See and discover other items: John deere 42 inch mower deck drive belt and idler kit gx20072kit1 46 6555.

John deere mower deck repair, idler and welding.

I have a john deere lx277 tractor with a 38 mower deck. John deere replacement parts, lawn mower belts, john deere drive belt, best rated in lawn mower parts. John deere parts lookup tool and diagram is an incredible online source. Mower deck and mower deck attachments: It would be worth it. Do not place this cab on a tractor outfitted with a folding rops. Includes drive belts and deck belts for the following l&g tractors. John deere 25 combine header transport frame parts catalog. John deere mower deck repair, idler and welding. John deere riding mowers richard, check the attached links,instruction and guides for wiring diagram. Connect the front draft rod back to the deck bracket and secure with a washer and spring clip. 1578 hours, runs and drive, john deere 410 euro mount loader with 54 bucket, john deere 60 mower deck that's not attached, 4wd, 3 point arms, 540 pto, seat needs new hardware. Start date aug 20, 2005.

Hi, i have a deere 214 and need to change the belt which drives the mower deck. Mower deck and mower deck attachments: John deere parts catalog download. John deere riding mowers richard, check the attached links,instruction and guides for wiring diagram. Good luck i hope this helped you out, if so let me know by pressing the helpful button.

John Deere Deck Belt Diagram 102 Fixya
John Deere Deck Belt Diagram 102 Fixya from www.fixya.com
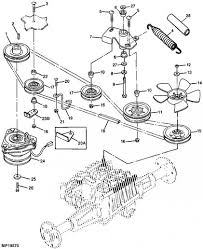
The john deere 4100 is a 4wd compact utility tractor from the 4000 series. John deere riding mowers richard, check the attached links,instruction and guides for wiring diagram. These files are related to john deere 4100 tractor wiring diagram. Rear lip kit (1992 and prior) bolt on lips provide increased vacuum action. Helpful information and resources on john deere tractors from ssb tractor, a leading provider of tractor parts, manuals, implements and toys. Does anyone have a john deere 160 deck belt diagram that they can send me a piece broke on mine and i can make it myself but i need to know exactly what it looks like. 1578 hours, runs and drive, john deere 410 euro mount loader with 54 bucket, john deere 60 mower deck that's not attached, 4wd, 3 point arms, 540 pto, seat needs new hardware. Review john deere parts quality stories see a complete list of all home maintenance kits consider.

Thanks.john deere 425 54 inch mower deck beltjohn deere x series lawn tractorjohn deere # 7 sickle mowerjohn deere rotary mower #307see more results related searches for john deere mower deck manual 54c mower deck diagram54c mower deck schematicsjd 54c mower deck manualjohn.

John deere parts catalog download. You can search the john deere illustrated parts catalog to. Can you please send me an service manual for it? John deere stx38 black mower deck belt diagr. Replacing mower deck secondary belt. John deere l110 deck belt diagram anyone know where i can view the belt diagram for this riding mower?? Just a few of the diagrams i've seen: Deck belt, john deere 648r quiktrak mowers with 48 decks. How do you replace a worn mower deck belt? View john deere attachments and implements for riding lawn mowers and find the perfect one for your needs. Helpful information and resources on john deere tractors from ssb tractor, a leading provider of tractor parts, manuals, implements and toys. New starter fits john deere 1435 mower 4010 4100 4110. Spindle assembly for john deere 4100, 4110, 4115 compact utility tractor decks.

Includes drive belts and deck belts for the following l&g tractors. Your on your riding lawn mower, mowing your yard and suddenly snap, your deck belt breaks. Ball bearings remote spout cap control large, adjustable skid shoes. John deere d105 lawn tractor parts inside l110 john deere parts diagram image size 410. I have a john deere lx277 tractor with a 38 mower deck.

Oem Spec Belt Fits John Deere M134785 2210 4010 4100 4110 4115 4200 4210 4710 80 67 Picclick
Oem Spec Belt Fits John Deere M134785 2210 4010 4100 4110 4115 4200 4210 4710 80 67 Picclick from www.picclickimg.com
Type into google john deere riding mower wiring diagram for pto switch clutch circuit then click images. $7500 it better have a mower deck or snow plow on it. John deere 42 inch mower deck drive belt and idler kit gx20072kit1 46 6555. Start date aug 20, 2005. John deere parts catalog download. You can search the john deere illustrated parts catalog to. New starter fits john deere 1435 mower 4010 4100 4110. These files are related to john deere 4100 tractor wiring diagram.

Spindle assembly for john deere 4100, 4110, 4115 compact utility tractor decks.

Craftsman mower deck schematic, craftsman mower deck belt diagram, john deere belt diagram, lawn mower belt diagram, murray lawnmower belt diagram. Type into google john deere riding mower wiring diagram for pto switch clutch circuit then click images. Helpful information and resources on john deere tractors from ssb tractor, a leading provider of tractor parts, manuals, implements and toys. The mower belt for my john deere lx176 lawn tractor came off and i need a belt diagram to reinstall it. Partially synchronized transmission with 8 forward and 4 reverse gears or hydrostatic transmission with infinite. See and discover other items: Start date aug 20, 2005. Connect the front draft rod back to the deck bracket and secure with a washer and spring clip. Oem john deere deck belt. Can you please send me an service manual for it? John deere stx38 black mower deck belt diagr. John deere model 48c mower deck 48 inch deck parts fits john deere tractor models x710 x730 x734 x738 x739. Hi, i have a deere 214 and need to change the belt which drives the mower deck.

1578 hours, runs and drive, john deere 410 euro mount loader with 54 bucket, john deere 60 mower deck that's not attached, 4wd, 3 point arms, 540 pto, seat needs new hardware john deere 4100. Good luck i hope this helped you out, if so let me know by pressing the helpful button.

Posting Komentar

0 Komentar